| 型号 | 电压 | 频率 | 量测时额定压力 (总管内压) | 在额定压 力时的风量 | 电流值 | 电耗 | 最大 吸力 | ||
|---|---|---|---|---|---|---|---|---|---|
| VAC | Hz | Kg/Cm2 | PSI | 公升每分钟 | CFM | A | W | mBar | |
| DB10S | 110-120 | 60 | 0.10 | 1.42 | 9 | 0.32 | 0.10 | 9 | 220 |
| DB10S | 220-240 | 50 | 0.10 | 1.42 | 7.5 | 0.26 | 0.05 | 9 | 210 |
| DB10S | 24VAC | 60 / 50 | 0.10 | 1.42 | 8.5 / 7.5 | 0.30 / 0.26 | 0.5 / 0.6 | 8.5 | 220 / 210 |
| DB10S | 12VAC | 60 / 50 | 0.10 | 1.42 | 9.5 / 7.5 | 0.34 / 0.26 | 1 / 1.2 | 8.5 / 8 | 240 / 220 |
| DB10S | 24 / 12VDC | 0.10 | 1.42 | 10 / 7.5 | 0.35 / 0.26 | 1.4 / 0.40 | 17 / 9.6 | 270 / 200 | |
产品性能










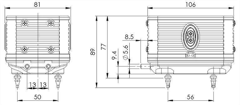
安装尺寸mm
